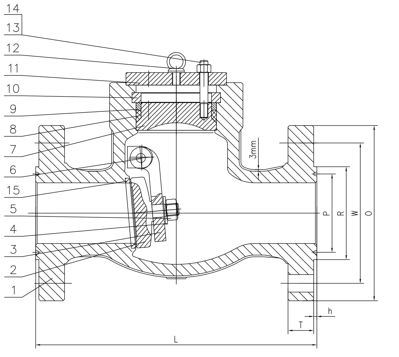
PSB-backventil
NSV högtryck med PSC Svängningsventiler, liksom alla backventiler, används för att tillåta vätska att flöda i en riktning men förhindrar att den flyter i den andra, finns i
ett brett utbud av stilar. Svängventiler på grund av deras mindre kontrollerade öppning och stängning
mekanik, används i mindre känsliga applikationer.
Tillämplig standard
Designstandard: BS 1868, ASME B16.34, API 6D, DIN2533
Ansikte mot ansikte: ASME B16.10, API 6D, EN 558, DIN 3202
Slutfläns: ASME B16.5, ASME B16.47, DIN2501, DIN2533
Butt svetsning Avslutar: ASME B16.25, DIN3239
Inspektion och test: API 598, DIN3230Produkter sortiment
Storlek: 2 "~ 24" (DN50 ~ DN600)
Betyg: ANSI 2500lb
Kroppsmaterial: kolstål, rostfritt stål, legeringsstål, duplexstål
Trim: Per API 600Design egenskaper
Full öppen design
PSC (trycktätningskåpa)
Skivdesign av gungtyp
Förnybart eller svetsat säte
Flänsade eller rumpa svetsändar


STRUKTURELLA EGENSKAPER
Fördel nackdel

Den främsta fördelen med svängningsventiler är deras förmåga att tillåta ett fullständigt, fritt flöde - vilket är särskilt viktigt i rörsystem som kan kräva rengöring av linjer. Svängningsventiler är också idealiska för användning i lågkostnadssystem med manuella ventiler, till exempel grindventiler i vanligt bruk.
Nackdelar inkluderar en hög slitthastighet på grund av rotationen kring gångjärnstiftet och kravet på fullständig och exakt inriktning av skivan och sätet vid stängning. Begränsningarna i denna konstruktion begränsar deras användning i pulserande system med avsiktligt cykliska tryck, eftersom ventilens konstant pulserande verkan leder till för tidigt slitage
FAQ
1. F: Har du någon ventil i lager?
S: Det finns många GGC-ventiler (2 "& inom) i lager, och det kan levereras inom en vecka.
2. F: Har du anpassad ventil?
S: Ja, vi kan leverera anpassade ventiler.
3. F: Vilka typer av ventiler tillverkar du?
S: Vi tillverkar vanligtvis ventiler gjorda av olika material såsom gjutjärn / kolstål, rostfritt stål, legeringsstål och industriklaffar som boll, grind, jordklot, kontroll, bälgförsegling och ETC. För detaljerad information, se "Ladda ner> E-katalog" på hemsidan.
4. F: Vad är förpackningen för frakt?
A: Dess kartong för små ventiler (prov) och kryssfaner i plywood (inte att rensa).
5.Q: Vad sägs om leveransschema?
S: Leveransschema beror på produkttyp. Därför bör du rådfråga säljteamet för specifikt leveransschema när du frågar. Företaget gör ett försök att hålla leveransschemat, vilket är löfte med kunden. Företaget kommer att förbättra din nöjdhetsgrad genom att leverera den nödvändiga produkten så snart som möjligt.
Populära Taggar: PSB-backventil, Kina, tillverkare, leverantörer, fabrik, tillverkade i Kina
Ett par
API 6D-kontrollventilDu kanske också gillar
Skicka förfrågan















